Opis
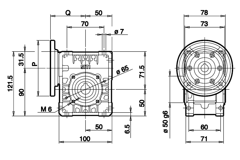
Reduktor ślimakowy / przekładnia ślimakowa SITI MU 40 i=10 63B14 (11/90)

Pełny katalog reduktorów MU
Bo z nami się kręci!
504,00 zł netto (+23%VAT)
Zapytaj o dobór / ofertęReduktor ślimakowy / przekładnia ślimakowa SITI MU 40 i=10 63B14 (11/90)

| Waga | 2 kg |
|---|---|
| Marka | SITI SPA ITALIA |
