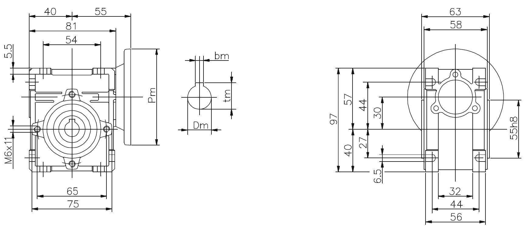
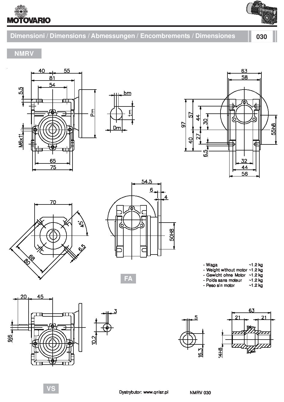
Opis
Reduktor ślimakowy / przekładnia ślimakowa Motovario NMRV 030 i=10 56B14 (9/80)
Dane:
– NMRV 030 Motovario
– przełożenie i=10
– tuleja wejściowa do wałka silnika fi 9 mm
– średnica zewnętrzna kołnierza wejściowego do silnika fi 80 mm
– tuleja zdawcza fi 14 mm

Pełny katalog reduktorów NMRV




